房子的屋面系统大致可以分成坡屋面和平屋面两个系统。坡屋面系统的历史可以追溯到远古,我国自有史记载以来至清末,房屋建筑几乎都是坡屋面的。国外也大致如此,不过更具特色和多样性,如有各种尖屋顶、圆球屋顶等。平屋面系统实际是从古代城堡结构演化而来,伴随着现代混凝土构件的发展,在许多高层建筑上获得了广泛的采用。坡形屋面基本都使用了屋面瓦。以下博天厂家将为大家讲解以下几种屋面的工艺。
现浇式混泥土板平瓦屋面

现浇式混泥土板平瓦屋面做法示意图
图7—47所示为现浇板基层平瓦屋面的做法示意图。如采用现浇钢筋混凝土屋面板作为屋顶的结构层时,屋面上应固定挂瓦条挂瓦,或用水泥砂浆等材料固定平瓦。
平瓦屋面的做法示意图
图7—48所示为常见的油毡瓦规格尺寸。油毡瓦的形状有方形和圆形两种。
油毡瓦具有柔性好、耐酸碱、不褪色、质量轻的优点,适用于坡屋面的防水层或多层防水层的面层。
油毡瓦屋面构造示意图

图7—49所示为油毡瓦屋面的构造示意图。图中油毡瓦铺设在木板基层和混凝土基层的水泥砂浆找平层上。油毡瓦适用于排水坡度大于20%的坡屋面。油毡瓦是以玻璃纤维为胎基,经浸涂石油沥青后,面层热压各色彩砂,背面撒以隔离材料而制成的瓦状材料。
石棉水泥瓦屋面

石棉水泥波形瓦尺寸较大,且具有一定的刚度。如图7—50所示为石棉水泥瓦屋面石棉瓦搭接。图7-50(a)所示为波形石棉瓦的铺法,图中波形石棉瓦直接铺钉在檩条上,檩条的间距要保证每张瓦至少有三个支撑点;图7—50(b)、(c)所示为上下或相邻两瓦的搭接构造示意图,瓦的上下搭接长度不小于lOOmm,左右方向也应满足一定的搭接要求,并应在适当部位去角,以保证搭接处瓦的层数不致过多。
波形瓦可用石棉水泥、塑料、玻璃钢和金属等材料制成,其中,以石棉水泥波形瓦应用最多。石棉水泥波形瓦屋面具有重量轻、构造简单、施工方便、造价低廉等优点,但易脆裂,保温隔热性能较差,多用于室内要求不高的建筑。石棉水泥波形瓦分为大波瓦、中波瓦和小波瓦三种规格。此外,在工程中常用的还有塑料波形瓦屋面、玻璃钢瓦屋面和彩色压型钢板瓦屋面,其构造方法与石棉水泥瓦基本相同。
小青瓦屋面

图7—51所示为小青瓦屋面构造示意图。小青瓦断面呈圆弧形,平面形状为一头宽,另外一头较窄,尺寸规格各地不一。一般先用木望板、苇箔等做基层,上铺灰泥,灰泥上再铺瓦。常见的小青瓦构造类型有以下几种:如图7—51(a)所示为单层瓦,适用于少雨地区;如图7—51(b)、(d)所示为阴阳瓦,适用于多雨地区;如图7—51(c)所示为筒板瓦,适用于多雨地区;如图7-51(e)所示为冷摊瓦,适用于炎热地区;如图7—51(f)所示为通风屋面,适用于炎热地区。
小青瓦屋面是我国传统民居中常用的一种形式,铺设时,在少雨地区搭接长度为搭六露四,在多雨地区为搭七露三。
压型钢板屋面

压型钢板屋面与钢屋架相结合,先在钢屋架上固定工字形或槽形檩条,然后在檩条上固定钢板支架。图7—52所示为梯形压型钢板屋面及节点的构造示意图,图中1为屋脊板,2为挡水板,3为屋面板,4为檩条,5为屋架上弦。压型钢板是将镀锌钢板轧制成型,表面涂刷防腐涂层或彩色烤漆而成的屋面材料,具有多种规格,有的中间填充了保温材料,成为夹芯板,可提高屋顶的保温效果。这种屋面具有自重轻、施工方便、装饰性与耐久性强的优点,一般用于对屋顶的装饰性要求较高的建筑中。
四、坡屋顶细部构造
平瓦屋面挑檐构造

当坡屋顶采用无组织排水时,应将屋面伸出外纵墙形式挑檐。常见平瓦屋面挑檐的构造形式有砖挑檐、屋面板挑檐、挑檐木檐口、挑椽檐口和挑檩檐口等形式,如图7-53所示。
平瓦屋面是坡屋顶中应用最多的一种形式,其细部构造主要包括:檐口、天沟、屋脊等,此外,烟囱出屋面处的处理除满足防水要求外,还满足防火规范的要求。纵墙檐口根据构造方法不同有挑檐和封檐两种形式。
(1)用途:主要用于现场支模板、绑钢筋、浇灌混凝土制作梁、板等。
(2)基本内容:包括平面、剖面、钢筋表、说明四部分,这些图与相应的建筑平面及墙身剖面关平面图内容包括:轴线网、承重墙的布置和尺寸。梁垫的布置和编号。如梁I。1,断面尺寸为200×一100.梁垫的尺寸为500×240×400。
楼层结构平面

楼层结构布局

720、600。钢筋的编号、规格、间距、定位尺寸.是绑扎钢筋的依据。说明中所指分布筋就是不受力的钢筋,它起着固定受力筋、分布荷载和抵抗温度应力的作用,一 当钢筋不够长时.可以相接。搭接的长度一般为30倍直径.即工地上常说的30倍d。如≠6钢筋,搭接长度应不小于180mm。
现浇楼楼盖配筋立体图

钢筋混凝土构件有现浇、预制两种。预制构件要考虑起吊和运输,有的设有吊钩。而现浇构件是在现场支模板、绑钢筋、浇灌混凝土,因此必须画出梁的位置、支座情况。
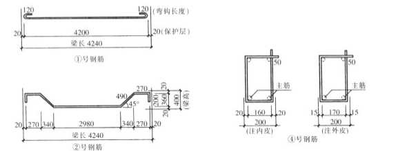
现以图2—8现浇楼盖梁L1为例进行分析,见图2—10。(I)基本内容:包括模板尺寸、配筋情况、钢筋表及说明等。梁的模板尺寸:梁长4240,梁宽200,梁高400,板厚80。
配筋情况:主筋:主筋即受力筋,①号钢筋2根中18,②号钢筋1根垂20。②号钢筋工地上常称为“元宝铁”。 架立筋:架立钢筋主要起架立作用,③号钢筋2根①12。 钢箍:④号钢箍西6,间距200。支座情况:两端支承在⑤、⑥轴墙上,支承长度为240,并设有素混凝土梁垫,长500,宽240,高400。 (2)钢筋表的编制:钢筋表包括构件编号、形状尺寸、规格、根数。确定形状尺寸:钢筋的成型尺寸一般是指外包尺寸。确定钢筋形状和尺寸除计算要求外,一般要考虑钢筋的保护层和钢筋的锚固要求等因素。钢筋锚固长度根据有关规范决定。图2—11表明①、②、④号钢筋成型尺寸。 钢箍成型尺寸根据主筋保护层确定。钢箍尺寸注法各设计单位不统一,有的注内皮,有的注外皮。弯钩:螺纹钢筋和混凝土结合良好,末端不做弯钩,光圆钢筋要做弯钩。标准弯钩尺寸。

(3)钢筋下料长度:钢筋成型时,由于钢筋弯曲变形,要伸长一些,因此施工时实际下料
长度应比设计长度缩短。所减长度取决于钢筋直径和弯折角度,直径和弯折角度越大,foo长越多,应减长度也就越多。
现浇楼施工的要求
(1)楼板的支承长度和拉结
装配式钢筋混凝土楼板或屋面板,当圈梁未设在板的同一标高时(即设在板底时),板端伸入外墙的长度不应小于120mm,伸人内墙长度不应小于lOOmm,在梁上不应小于80mm;
现浇钢筋混凝土楼板或屋面板伸进纵、横墙内的长度均不应小于120mm。当板的跨度大于4.8m并与外墙平行时,靠外墙的预制板侧边应与墙或圈梁拉结;房屋端部大房间的楼盖、8度时的屋盖和9度时的楼、屋盖,当圈梁设在板底时,预制板应相互拉结,并应与梁、墙或圈梁拉结。(2)梁或屋架的连接楼盖和屋盖处的钢筋混凝土梁或屋架应与墙、柱、构造柱或圈梁等可靠连接;梁与砖柱的连接不应削弱柱截面,各层独立砖柱顶部应在两个方向均有可靠连接。
(1)外墙转角及内外墙交接处
对7度时长度大于7.2m的大房间及8度和9度时,外墙转角及内外墙交接处,应沿墙高每隔500ram配2中6拉结钢筋,并每边伸入墙内不宜小于lm。

(2)后砌非承重隔墙
后砌的非承重隔墙应沿墙高每隔500mm配置2中6拉结钢筋与承重墙或柱拉结,每边伸入墙内不少于500mm.
关于博天彩石金属瓦
博天彩石金属瓦共有6种瓦型,10多种色彩。其本身固有的耐候性、耐湿性、耐盐水喷雾性、耐冲击性、耐酸性、耐碱性、耐热性、不燃性等特性。
彩石金属瓦造型美观富有立体感,使得整个建筑颇有独具一格的风格,高贵而不失大方,堪称完美的建筑。颜色的选择也能看出房主的喜好,例如中国红的大气显出主人的热情与好客,友善的色泽使得建筑有了浓浓的人情味。大型建筑亦离不开金属瓦的点缀,所谓高楼万丈平地起,而有了金属瓦的衬托,使得其更为挺拔、伟岸。
博天石金属瓦产品的技术水平达到同类产品先进水平,不仅在国内市场占据领先优势,而且在国际市场上享有较高的知名度。产品远销印度、越南、文莱、马来西亚、印度尼西亚、泰国、俄罗斯、缅甸、也门、毛里塔尼亚、摩洛哥、巴布亚新几内亚、安哥拉、叙利亚、坦桑尼亚、刚果、土库曼斯坦、埃塞俄比亚、巴拉圭、比利时、贝宁、斯里兰卡、塞拉利昂、沙特阿拉伯、肯尼亚、加纳、尼日利亚、蒙古、台湾以及山东、广西、广东、辽宁、福建、云南、海南、江西、江苏浙江沿海一带。
博天有各种瓦型、配件齐全,有圆弧瓦、方格瓦、斜边瓦、彩虹瓦、木纹瓦、传统瓦、米兰瓦。15中颜色(晚霞红、枣褐红、中国红、杜鹃红、梦幻红、咖啡棕、浅茶褐、天空蓝、乌炭黑、海洋蓝、青黛绿、森林绿、孔雀蓝、水墨灰、芝麻黑)它具有施工方便、易安装的优势,同时具有造型美观、立体感较强、色彩丰富、永不退色、绿色环保、经济、轻质、隔音、防火、防水、保温隔热等特点,是各类高档屋面的最佳首选材料。
一、金属瓦的使用寿命与质量息息相关。任何产品的使用性能再优异,用不了多久就坏了,那么这个产品就不具有实用性。金属瓦也是如此,金属瓦如果瓦片易碎裂容易坏的话就会对屋面造成很多影响,后期的更换也带来诸多麻烦。所以用户对金属瓦的寿命分外关注。正规金属瓦生产厂家生产的经过金属瓦国家标准检验的,可以保持相当优异的质量与长久的使用寿命,为客户避免很多不必要的麻烦。
二、彩石金属瓦使用寿命与材质有重要关系。普通钢板的使用寿命一般只有10余年,镀铝锌钢板具有很强的耐热性,在气候恶劣的沿海地区更能有效地耐腐蚀,使用寿命可长达50年。提高了瓦片的抗腐蚀性能、防水防风性等多方面的性能。并且由于如今生产工艺的改进,设备日趋精密化,正规厂家出厂的金属瓦质量大大提高,同样延长了金属瓦的使用寿命。
彩石金属瓦作为一种使用寿命比较长的产品,使用年限超过了很多其他材质的屋面瓦。此外金属瓦的柔韧性强不易破碎,正确的金属瓦施工方法也可以延长瓦片的使用寿命,为日常居住减去后顾之忧。